Радиоэлектроника
Часть 1. Юность.
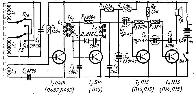
Схема и описание моего первого моего радиоприёмника, собранного своими руками, были опубликованы в журнале “Радио” № 11 за 1959 год. Изобрёл его некий изобретатель В. Плотников и назывался приёмник “Москва”. Это я запомнил на всю жизнь! И вот сейчас в интернете я без проблем нашёл то, что искал. Вот она, вы видите на рисунке, знакомая до боли, пропахшая дымом и канифолью моя схема.
Радиоприемник работает в диапазоне 300-1800 м. Для магнитной антенны используется ферритовый стержень Ф-600 длиной 80 мм и диаметром 8 мм, на который надет каркас из тонкой бумаги. На каркасе в навал намотаны катушки L1 и L2, содержащие по 130 витков провода ПЭЛШО-0,12. Общая длина намотки катушек - 25 мм. Катушка связи L3 имеет 3-5 витков такого же провода, намотанных поверх катушек L1 и L2. Трансформатор Tp1 и дроссель ВЧ намотаны на ферритовых кольцах НЦ-2000 с внешним диаметром 7 мм. Обмотки L4, L5 и L6 содержат соответственно 100, 10 и 200 витков провода ПЭЛШО-0,12. В приемнике применен самодельный громкоговоритель, изготовленный на основе капсюля типа ДЭМШ-1. Питается приемник от трех элементов типа ФБС-0,25 и потребляет 8-10ма. В приемнике рекомендуется применять транзисторы со следующим коэффициентом усиления: T1 - 40-80 (ток коллектора 0,8-1,5ма); Т2 - 30-80 (ток коллектора 0,3-0,5ма); Т3 - 20-30 (ток коллектора 0,3-0,5ма); Т4 - 40-80 (ток коллектора 4-6ма). Приемник размещен в пластмассовом футляре, имеющем габариты 96 /74/27мм. Вес приемника 180г.
Как вы уже догадались, я понимал схемы, разбирался в радиодеталях и любил паять. Как же обидно было, что, поступая в военное училище, я провалил экзамен именно по физике! Попался же билет! - формула линзы и удельное сопротивление проводника. Меня как заклинило - я даже линзу нарисовать не смог. Как на сегодняшний день, так я бы рассказал хотя бы то, что я знаю и чем увлекаюсь, то, что я хожу на радиокружок - уже за это можно было тройку поставить. Стеснительный был. А ведь тогда решалась моя судьба! Да что уж теперь...
Итак, я паял. Приемники, усилители, всякие другие интересные схемы. Детали брал со свалки. Я жил в военном училище. У курсантов тоже были занятия по пайке каких-то схем. Собранные и проверенные преподавателем платы с деталями выбрасывались в кучу за учебным корпусом. Это для нас с моим другом и одноклассником Андреем Красновым было золотое дно! Мы перелазили через забор из автопарка в учебную зону и набивали себе карманы этими платами. Дома их распаивали, сортировали и аккуратно, с любовью укладывали в склеенные между собой и подписанные спичечные коробки.
Второй серьёзной вещью, собранной мной после “Москвы” был усилитель для электрогитары на 10 ватт. Не сложную схему усилителя, а, главное, с доступными деталями, показал мне как-то в школе Андрюха. Я загорелся и на каком-то из уроков “передрал” схемку себе. Об этом усилителе более подробно у меня описано в моей Солонке. Потом делал светомузыку, но так “до ума” и не довёл. Там схема была посерьёзней, да и с деталями посложней - вместо транзисторов уже использовались тиристоры. А у Андрея Краснова получилась! Помню, после школы пришли к нему, он хвастался.
Часть 2. Армия.
... Привезли нас, зелёное пополнение, на поезде на станцию Бологое. Там посадка на стоящие “под парами” военные “Уралы” и километров за тридцать в Выползово, в часть. Там баня, переодевание и отбор. Я хотел быть водителем. У меня были права категории “В” и “С” - легковые и грузовые до 3,5 тонн. Но... Судьбе было угодно, что бы я стал радиотелеграфистом.
Помню, был отбор - проверяли, есть ли музыкальный слух. Без этого радиста стать невозможно. Каждый знак (цифра или буква) имеет свой напев. Радиотелеграфист запоминает именно напевы и потом поёт их в уме при приёме. А проверяли слух очень просто. Проверяющий (сержант или офицер) стучал кулаком по столу, а ты должен был повторить то, что он изобразил. Я хоть и хотел быть водителем, командира возить (сидя жопой на мягкой подушке, как писал мне в письме мой друг Игорь Денисов), но притворяться не мог и точно повторял всё, что мне простукивали. А музыкальный слух у меня был - я к тому времени неплохо играл на гитаре и аккордеоне.
Так я стал радистом и попал на полгода в “учебку” (учебный центр, он же 11-я площадка, он же позывной “Вербот”). ВШМС - военная школа младших специалистов готовила радиотелеграфистов для 7-й гвардейской ракетной Режицкой Краснознамённой дивизии (войсковая часть 14245).
Курсанты изучали работу на ключе и приём радиограмм на слух, двусторонний радиообмен, тактико-технические данные радиостанций. Мы представляли себя этакими разведчиками - шпионами. Вообще-то, если честно сказать, морзянка и работа в эфире - это очень интересное занятие, и я не жалею, что познал это и окунулся в этот таинственный и загадочный мир.
У меня есть несколько стихотворений на эту тему. Вот одно из них.
Идут связисты на парад
Красиво, чётко, с песней.
И всё у них идёт на лад -
Ведь нет войск интересней.
Связисты по тревоге встанут
И с автоматом на груди
Врага из-под земли достанут -
Всегда и всюду впереди.
Ночь темна, спокойны люди,
Знают, что связист не спит.
Чтоб не били из орудий
Сон их сторожит.
Он с миром может говорить
Таинственными знаками.
Лежит невидимая нить
Меж нами и поляками.
Меж немцами и шведами
В эфире перепляс,
И никто не ведает,
Что будет через час.
Бесспорно, связь нужна,
Нужна готовность боевая,
Чтобы стояла тишина
Над миром, гроз не зная.
По окончании школы мы получали классность и соответствующий нагрудный знак. За третий класс ничего не платили, а вот за второй и первый - да! На срочной службе мне не удалось получить второй класс радиотелеграфиста, так как я попал после “учебки” не по своей специальности. А попал я по распределению на ПДРЦ - передающий радиоцентр. Там, где-то через полгода, получил ещё один третий класс по специальности механик радиопередающих средств и затем, через некоторое время, второй.
А сейчас я вам покажу настоящую азбуку Морзе. Кстати, помню её до сих пор!
А • — ай-да
Б — • • • ба-ки-те-кут
В • — — ви-да-ла
Г — — • га-ра-жи
Д — • • до-ми-ки
Е • есть
Ж • • • — же-ле-зи-сто
З — — • • за-ка-ти-ки
И • • и-ди
Й • — — — и-крат-ко-е
К — • — как-де-ла
Л • — • • лу-на-ти-ки
М — — ма-ма
Н — • но-мер
О — — — о-ко-ло
П • — — • пи-ла-по-ёт
Р • — • ре-ша-ет
С • • • си-не-е
Т — так
У • • — у-нес-ло
Ф • • — • фи-ли-мон-чик
Х • • • • хи-ми-чи-те
Ц — • — • цап-ли-на-ши
Ч — — — • ча-ша-то-нет
Ш — — — — ша-ро-ва-ра
Щ — — • — ща-вам-не-ша
Ь, Ъ — • • — то-мяг-кий-знак
Ы — • — — ы-не-на-до
Э • • — • • э-ле-рон-чи-ки
Ю • • — — ю-ли-а-на
Я • — • — я-мал-я-мал
А вот напевы цифр и наиболее часто встречающихся знаков. В чисто цифровых текстах ноль часто передают одним тире, как букву “Т”.
0 — — — — — ноль-то-о-ко-ло
1 • — — — — и-толь-ко-од-на
2 • • — — — я-на-гор-ку-шла
3 • • • — — три-те-бе-ма-ло
4 • • • • — чет-ве-ри-те-ка
5 • • • • • пя-ти-ле-ти-е
6 — • • • • по-шест-ти-бе-ри
7 — — • • • да-да-се-ме-рик
8 — — — • • вось-мо-го-и-ди
9 — — — — • но-на-но-на-ми
? • • — — • • где-мне-во-прос-пи-сать
! — — • • — — по-ка-нет-при-ка-за
, • — • — • — и-так-и-так-и-так
\ — • • • — раз-де-ли-те-ка
И ещё интересный момент. Часто для ускорения радиообмена используются аббревиатуры и специальные коды. Вот некоторые: 73 - наилучшие пожелания, 55 - рукопожатие, 88 - люблю и целую, 99 - не желаю с Вами работать.
До сих пор, при общении на сайте “Одноклассников” с моим бывшим командиром взвода старшим сержантом Чопко Анатолием, мы часто употребляем цифру 73, понятную только нам.
Часть 3. Сверхсрочная служба.
После окончания школы прапорщиков я вернулся в свою же часть 03394 на должность дежурного по радиосвязи. Служил на командном пункте, под землёй. Немножко дико и страшно, кто не привык к закрытому пространству. Но, ведь “не за так же кровь проливали!”. Во-первых, платили какие-то деньги за боевое дежурство и, во-вторых, за шесть суток дежурства к отпуску добавляли сутки, но не более 15-и суток. У меня за год выходил отпуск 45 суток, плюс на дорогу 4-5 суток (я с Бологое в Пензу ездил). Неплохо. Некоторые у нас хитрили - брали проездные куда-нибудь на Камчатку, посылали туда отпускной билет, там делалась в комендатуре отметка: “прибыл”, “убыл”, и гуляли чёрт знает сколько. Нужно было договариваться, связи иметь. Я этого не делал.
И так, что ещё про КП. Некоторым солдатам на дежурстве становилось плохо, бывало, шла из носа кровь. Врачи регулярно проверяли, но всё же... На эту тему у меня есть стихотворение. Позже написал музыку, ну, и пел иногда на гитаре. Моя сестра думала, что это про тюрьму. На самом деле это про подземный командный пункт. Судите сами:
Над головой бетон, над головой бетон
И под ногами что-то в этом роде.
Вдруг раздаётся стон - вокруг один бетон.
Мне тяжело, я задыхаюсь вроде.
Вокруг один бетон, вдруг раздаётся стон.
Держись, дружок, не гнись, держись, дружок, не гнись,
Переноси все тяготы достойно,
И ты взовьёшься ввысь, держись, дружок, не гнись,
Наступит время, будешь жить спокойно.
Держись, дружок, не гнись, и ты взовьёшься ввысь.
Пусть кровь из носа льёт, пусть кровь из носа льёт,
Ты голову-то к верху поднимай-ка.
Не кисни, всё пройдёт, пусть кровь из носа льёт
И помни, ждёт тебя кровать и пайка.
Пусть кровь из носа льет, не кисни всё пройдёт.
Ты новичок пока, ты новичок пока,
И ум, и сила всё ещё в наличии
Не дрогнула б рука, ты новичок пока,
Своё людское не теряй обличье.
Ты новичок пока, не дрогнула б рука.
Основная работа на дежурстве - это приём оперативных радиограмм и сигналов “Монолит” в радиосетях ЦБУ (централизованного боевого управления), содержащих какую-либо оперативную информацию и, конечно, двусторонний радиообмен.
“Монолит” - что-то типа этого: “ььь ььь ргт77 ргт77 12345 балбес 123...”. Я срочно должен был доложить этот сигнал по громкоговорящей связи командиру дежурных сил. Это могло быть что угодно, вплоть до команды на пуск ракет. Считай, в то время морзянка каждый день стояла у меня в ушах. Через полгода сдал на 1-й класс радиотелеграфиста. На ключе я работал слабовато, не скрою. В основном мы использовали вместо ключа датчик кода Морзе Р-010. Это что- то типа печатной машинки. Вот он, на фотографии.
Однажды командир приказал мне провести занятия по радиосвязи у старшеклассников в соседней средней школе. Я не преподаватель, но деваться не куда, надо идти. Взял на плечи радиостанцию стопятку (так мы называли Р-105) и пошёл. Рассказал детям, которые, кстати, ненамного были меня старше, что такое радио и радиообмен. Нарисовал на доске азбуку Морзе, даже лично изобразил несколько напевов, показал работу на радиостанции. В общем, провёл занятие на уровне. Мне даже в конце аплодировали. Приятно!
На этом моя преподавательская деятельность не закончилось. Дали мне для обучения Морзянке целый взвод. И не просто взвод, а взвод девушек - солдаток! Пару интересных моментов меня связывает с ними.
Первый - это когда одна из радисток забеременела от солдата, и мне пришлось её выручать - ехать договариваться и прикрывать на службе. Об этом у меня есть подробный рассказ под названием “Взятка” в моей “Солонке”.
А второй... У меня были права категории “В” - легковые автомобили и надо было сдать экзамен на низшую категорию “А” - мотоциклы. В нашем военном городке было своё отделение милиции. На мотоцикле я проехал нормально, а вот на машине (кстати, у меня своей не было, и я додумался попросить начальника милиции проехать на его Уазике) ... Короче, допустил две ошибки - остановился не там, где надо и ещё что-то, уже не помню. Еду, чувствую, завалил. А принимал у меня молоденький “летёха” c фамилией одной из моих радисток. Делать нечего, надо выкручиваться как-то. По дороге в канцелярию я прямо спрашиваю, мол, такая-то, случайно, не Ваша родственница? Он удивился и говорит:
-Моя жена! А что?
- Она же у меня во взводе, я обучаю её. Очень способная ученица! Скоро зачёты сдают, думаю, всё у неё будет нормально.
Он посмотрел на меня, улыбнулся и выложил на стол документы.
- Ну, что, сдал? - спрашивает сержант.
- Сделал, правда, две ошибки, но, ничего, пиши “сдал”, - сказал лейтенант и вышел.
Я лишь успел крикнуть ему вслед:
- Спасибо!
Все-таки есть во мне что-то еврейское!
Вскоре я сдал на первый класс радиотелеграфиста и перевёлся в Белоруссию на должность начальника радиостанции большой мощности. В моём подчинении были расчёты станций 140-ой на базе Зил-13 и 142-ой на базе Газ-66 .
Свидетельство о публикации №215041201942
