Настольный электроорган-2
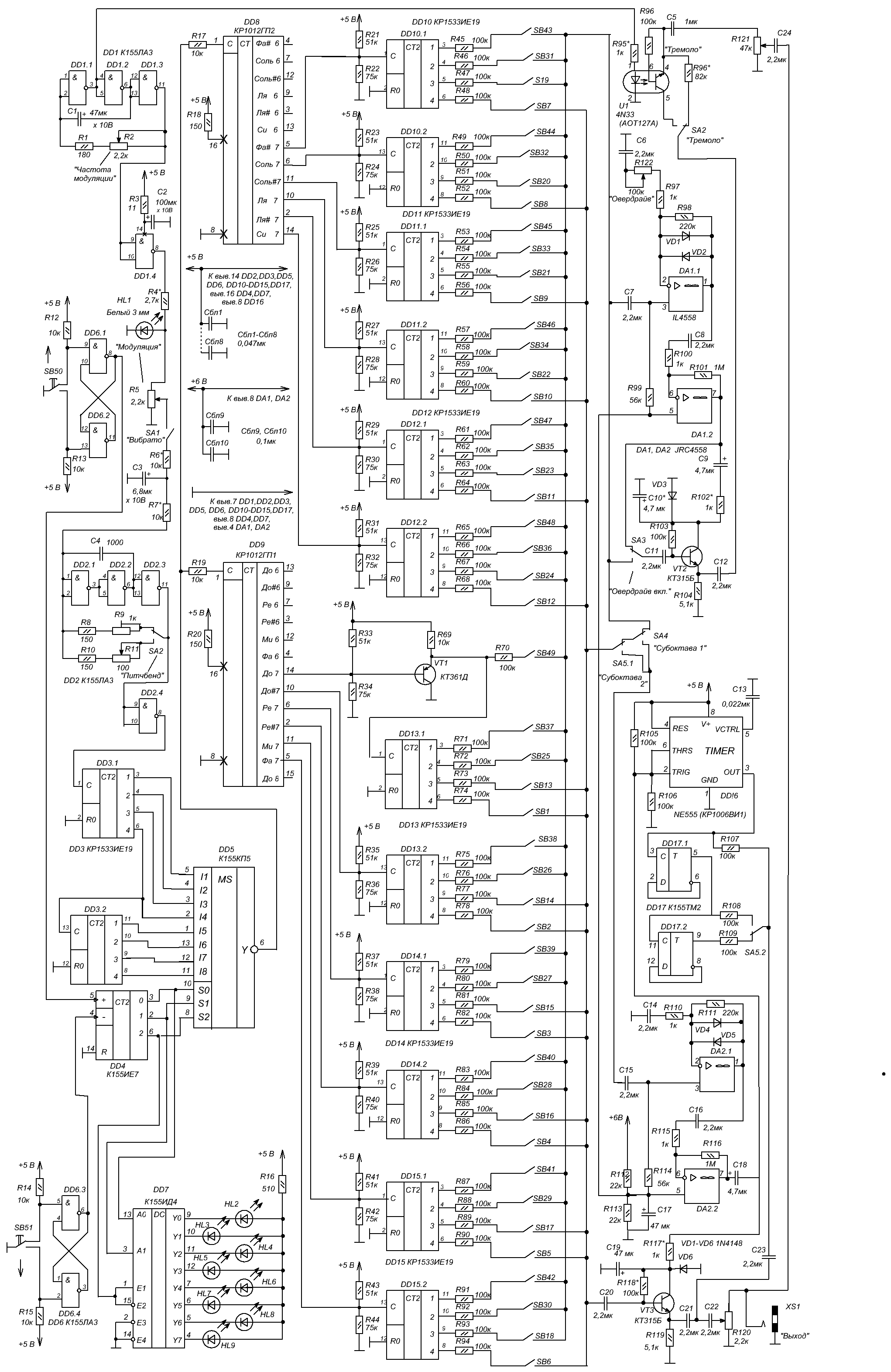
На инверторах микросхемы DD2 по схеме мультивибратора построен тональный генератор, работающий на частоте порядка единиц мегагерц. Точно частота устанавливается подстроечным резистором R9. Переводом переключателя SA2 в нижнее по схеме положение включается возможность глиссандирования в пределах плюс минус тона при помощи регулятора R11, расположенного на панели управления. На элементах микросхемы DD1 построен модулирующий генератор, работающий на частоте порядка нескольких герц - регулируется потенциометром R2. Он предназначен для получения эффектов частотного и амплитудного вибрато. Светодиод HL1 - индикатор частоты модуляции. Частотное вибрато включается замыканием контактов выключателя SA1. Интенсивность вибрато регулируется потенциометром R5. Микросхема DD1 запитана через RC фильтр R3C2 для снижения влияния на остальные компоненты схемы по цепи питания.
С генератора тона черех буферный элемент DD2.4 тональный сигнал поступает на счетчик-делитель частоты DD3, а с каскадно включенных счетчиков-делителей DD3.1 и DD3.2 - на мультиплексор DD5. С помощью мультиплексора осуществляется переключение диапазона ЭМИ вверх-вниз. Адресные входы мультиплексора DD5 управляются сигналами с реверсивного счетчика DD4. Нажатием кнопок SB50, SB51 возможно смещать строй инструмента вверх или вниз по кругу с шагом в одну октаву. Одно нажатие на кнопку SB50 смещает строй на октаву вверх, а одно нажатие на SB51 - на октаву вниз. Всего доступно 8 октав переключения. Переключение происходит в момент отпускания соответствующей кнопки. Светодиоды HL2-HL9 -индикаторы текущей октавы. Дешифратор DD7 осуществляет дешифрацию кода, подаваемого на адресные входы мультиплексора DD5. Кнопки SB50, SB51 подключены ко счетным входам DD4 через RS-триггеры на элементах DD6.1, DD6.2 (увеличение показаний)и элементах DD6.3, DD6.4 (уменьшение показаний) для исключения дребезга контактов от данных кнопок.
Сигнал с вывода мультиплексора DD5 поступает на микросхемы-делители частоты DD8, DD9, формирующие равномерно темперированную гамму, а с их выходов - на двоичные счетчики-делители частоты DD10-DD16 и каскад эмиттерного повторителя на транзисторе VT1. Эти элементы формируют окончательный строй ЭМИ в пределах 49 клавиш - 4 октавы с октавным замыканием, 49 полутонов.
Через разделительные резисторы R45-R68,R70-R94 тональные сигналы подводятся к контактам клавиш SB1-SB49.
Свидетельство о публикации №224072101646
